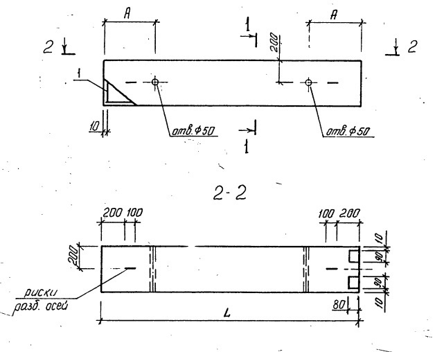
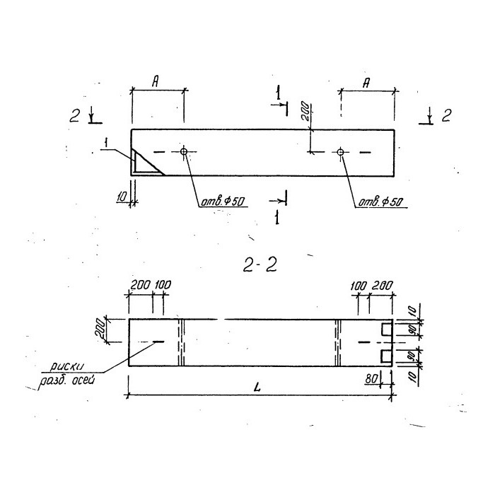
Колонна железобетонная 2КНО 60-60-5-32-00 из серии 1.020.1-4 предназначена для использования в строительстве как несущий элемент. Изделие обладает высокой прочностью и устойчивостью к воздействию внешних нагрузок, что делает его идеальным для возведения зданий и сооружений различного назначения.









