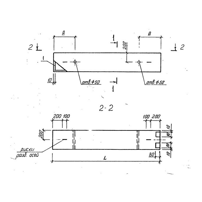
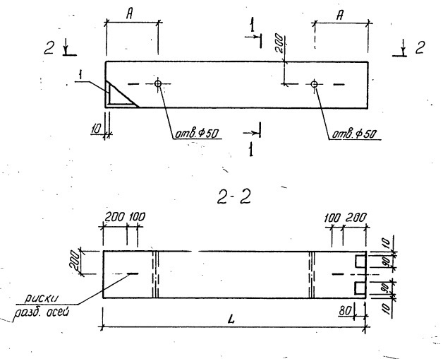
Колонна железобетонная 2КВД 60-60-5-36-00 представляет собой железобетонное изделие, выполненное по ГОСТу 31378-2009. Колонна предназначена для использования в строительстве зданий и сооружений, обеспечивая необходимую несущую функцию и устойчивость конструкции.
Колонна железобетонная 2КВД 60-60-5-36-00 применяется в строительстве различных объектов: от жилых домов и коммерческих зданий до промышленных сооружений и инфраструктуры. Она может использоваться как в новом строительстве, так и при реконструкции и модернизации существующих объектов. Колонна обладает высокой прочностью и долговечностью, что делает ее надежным элементом конструкции.









