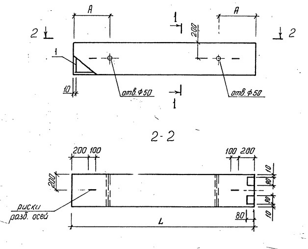
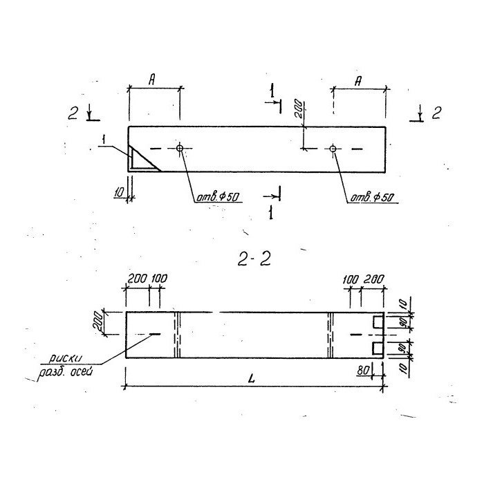
Колонна железобетонная 3КБО 36-36-4-32-00 представляет собой железобетонный элемент сечением 36х36 см и высотой 4 метра. Изготовлена из высококачественного железобетона, что обеспечивает прочность и долговечность конструкции. Колонна предназначена для использования в строительстве зданий и сооружений, где требуется надежная опора и поддержка.
Колонна железобетонная 3КБО 36-36-4-32-00 идеально подходит для строительства жилых домов, промышленных зданий, складов, а также других объектов, где необходимо обеспечить надежную опору для перекрытий и конструкций. Этот элемент железобетонной конструкции обеспечивает стабильность и безопасность строения, а также устойчив к воздействию внешних факторов, таких как ветер, снеговые нагрузки и т.д. Колонна 3КБО 36-36-4-32-00 является надежным выбором для строительства различных типов зданий и сооружений.









