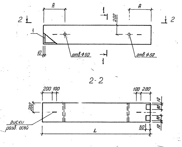
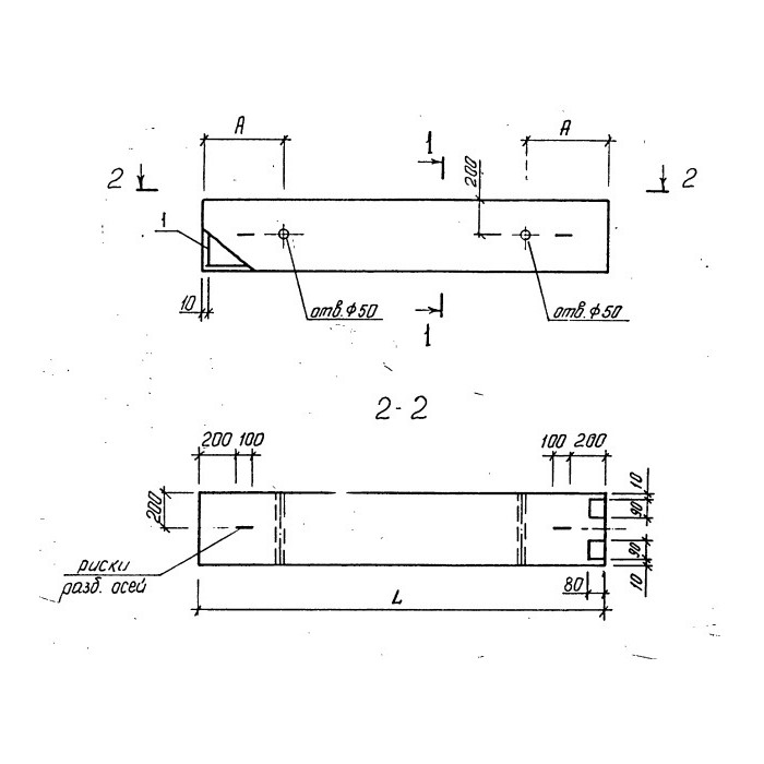
Колонна железобетонная 2КБО 60-60-4-40-00 ТУ - это железобетонный элемент, предназначенный для использования в строительстве зданий и сооружений. Колонна выполнена из высокопрочного железобетона, что обеспечивает ей долгий срок службы и надежность в эксплуатации. Этот элемент идеально подходит для создания несущих конструкций и обеспечивает устойчивость здания.
Колонна железобетонная 2КБО 60-60-4-40-00 ТУ применяется в строительстве различных объектов, таких как жилые дома, офисные здания, промышленные сооружения и другие. Она используется для создания несущих конструкций зданий, обеспечивая им необходимую устойчивость и надежность. Этот элемент является важной частью строительных работ и помогает обеспечить долговечность и безопасность здания.









