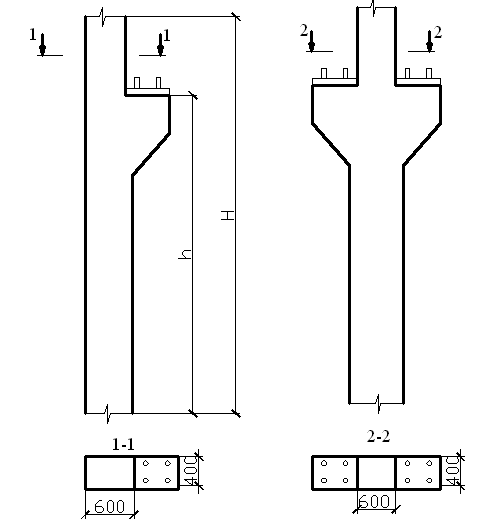
Колонна железобетонная 10к 120-31 представляет собой железобетонный элемент, который используется для укрепления и поддержания строительных конструкций. Она имеет размеры 10к и диаметр 120 мм. Колонна выполнена из прочного железобетона, что обеспечивает ей высокую надежность и долговечность. Этот элемент идеально подходит для использования в строительстве зданий и сооружений различного назначения.
Колонна железобетонная 10к 120-31 применяется в строительстве как опорный элемент для создания несущих конструкций. Она может использоваться для возведения стен, перекрытий, фундаментов и других строительных элементов. Этот продукт идеально подходит для строительства жилых, коммерческих и промышленных объектов, а также для реконструкции и ремонта существующих зданий. Колонна железобетонная 10к 120-31 обеспечивает надежную поддержку и стабильность всей конструкции, что делает ее необходимым элементом в любом строительном проекте.









